Product Overview
The SHYSEMI DIP24 Intelligent Power Module (IPM) is a highly integrated, high-reliability 3-phase brushless DC (BLDC) motor driver circuit. Engineered for efficiency and durability, this module is the ideal solution for low-power variable frequency drive (VFD) applications.

Key Features & Technical Advantages
- Advanced Thermal Management: Utilizes a Direct Bonded Copper (DBC) substrate for power devices, providing superior electrical insulation and high thermal conductivity for efficient heat dissipation.
- Robust Architecture: Features a high-reliability copper lead frame to support the driver IC, ensuring stable electrical connections and structural integrity.
- Precision Temperature Monitoring: Includes an optional integrated thermistor (NTC) pin on the power side, allowing for real-time, high-precision module temperature sensing and thermal protection.
- Ultra-Compact Design: The space-saving DIP24 footprint is designed for easy integration, making it perfect for applications with stringent mechanical constraints and compact mounting requirements.
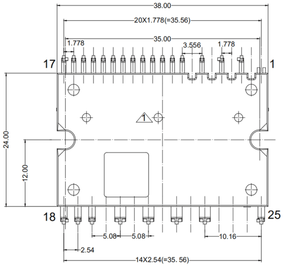
POD dimension drawing

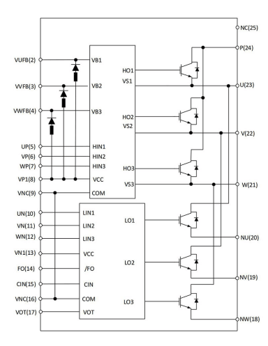
Internal circuit diagram

Applications
This IPM is specifically optimized for high-efficiency motor control in consumer electronics and industrial systems, including:
- HVAC Systems: Air conditioner compressors and fan motors
- Home Appliances: High-performance refrigerators and washing machine drum drives
- Industrial Automation: Low-power frequency converters and small-scale pump drives.
Technical Specifications Summary
Why Choose SHYSEMI IPM?
Our modules bridge the gap between high power density and thermal reliability. By using DBC technology, we ensure that your inverter designs remain cool and compact, even under continuous heavy loads, Contact us!

