Silicon carbide power devices, due to their advantages such as low loss, high operating frequency, high thermal conductivity, and high breakdown voltage, can effectively enhance the conversion efficiency of photovoltaic converters, reduce energy consumption, and increase power density. The advantages of silicon carbide devices can drive the technology of photovoltaic converters to a completely different level of advancement.
DC/DC power converter

Figure 1 BOOST and BUCK-BOOST topologies
The most commonly used topology for DC/DC power converters in the photovoltaic field is BOOST. As shown in Figure 2, the BOOST circuit realizes the voltage boosting function of photovoltaic cells and the MPPT function. Depending on the power of the photovoltaic system, it can be used in one path or multiple paths in parallel.
If the offline energy storage function of solar energy is to be achieved, a BUCK-BOOST converter can be connected to the battery system. The BUCK-BOOST can achieve bidirectional energy flow, that is, it can charge the battery during the low peak period of electricity consumption, and supply power to the load (inverter) from the battery during the peak period of electricity consumption, achieving the peak shaving and valley filling of the power supply of the photovoltaic system.
Photovoltaic inverter
- For low-power inverters (<= 4KW) and photovoltaic inverters, the single-phase H4 converter is the mainstream topology
- For medium-power (4-10kW) photovoltaic frequency converters, the single-phase HERIC converter is the mainstream topology scheme, and the H6 topology is also in use.
- For high-power photovoltaic inverters, the current mainstream circuit topologies are also I-type three-level or T-type three-level, while two-level inverters are rarely used.
The emergence of silicon carbide devices will change the market landscape of inverter topologies.
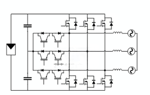
Figure 2 SiC/Si-based T-type three-level inverter topology
In the T-type three-level circuit shown in Figure 4, in order to balance cost and performance, the mid-point clamped power devices with low voltage stress use Si IGBTs, while the bridge arm power devices with high voltage stress use SiC MOSFET. This significantly reduces the power loss of the high-voltage bridge arm power devices, and consequently, the maximum operating frequency of the T-type three-level inverter is increased.
Similarly, the emergence of silicon carbide devices has significantly enhanced the advantages of the two-level topology. The switching frequency has increased, reducing the size of the filter and the capacitance of the DC bus on the input side. Even small-value thin-film capacitors can replace large-value electrolytic capacitors, overcoming the short lifespan problem of electrolytic capacitors. The low loss and high-temperature resistance advantages of silicon carbide devices make the size of the heat sink significantly smaller. The low loss and high-temperature resistance of silicon carbide MOSFETs enable the increase of the working frequency to reduce current ripple and the size of the filter. The PWM modulation method of the full-bridge inverter has an impact on the common-mode current. To reduce the common-mode current, two-level photovoltaic inverters generally adopt the bipolar PWM modulation strategy.
Take the 25KVA photovoltaic inverter as an example. The cost of the SiC-based two-level (with a switching frequency of 50kHz) is 8.8% lower than that of the SiC/Si-based T-type three-level (with a switching frequency of 16kHz). The capacitance value of the DC bus capacitor is reduced by 70%, and the value of the output filter inductor is reduced by 40%. At the same time, due to the significant reduction in the number of power devices, the heat distribution becomes more uniform, thus improving the reliability of the entire machine and reducing the complexity of the circuit and control.
Therefore, the advantages of the new silicon carbide power devices bring advantages in terms of overall performance and cost to the two-level photovoltaic inverter, and will surely change the existing pattern of photovoltaic inverters. Silicon carbide devices will be more widely applied in the field of power conversion for photovoltaic power generation.
SHYSEMI provides various high-performance and high-reliability silicon carbide power devices for photovoltaic systems. At the same time, we provide professional application support to customers and strive to create value for them. Let's work together to promote the green and low-carbon development of energy!



