In power electronics systems, overcurrent protection for IGBTs (Insulated Gate Bipolar Transistors) is crucial. Overcurrent can not only damage the IGBT module itself but may also lead to complete system failure. Therefore, designing efficient and reliable overcurrent protection circuits is essential to ensure stable equipment operation. This article introduces several typical IGBT overcurrent protection circuits and their operating principles.
1.Desaturation Protection
Desaturation protection is one of the most common and widely used IGBT overcurrent protection methods.
Operating Principle:
During normal operation, the IGBT operates in saturation mode with a low collector-emitter voltage (Vce). When an overcurrent occurs, the IGBT comes out of saturation, causing Vce to rise sharply. The protection circuit detects this change in Vce voltage to determine whether an overcurrent condition exists.

Implementation:
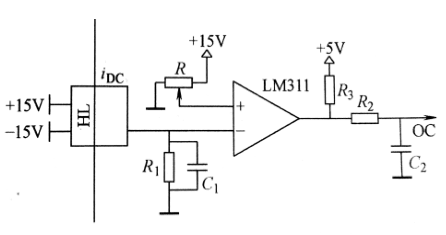
A high-voltage diode is typically connected to the IGBT’s collector, feeding the Vce voltage to a comparator or a dedicated driver IC (such as Avago’s ACPL-33xJ series or Infineon’s 1ED020I12). When the detected voltage exceeds the set threshold, the protection circuit rapidly turns off the IGBT.
Advantages:
Fast response (usually within a few microseconds), suitable for both short-circuit and overload protection.Most of SHYSEMI's fast recovery diodes(MUR) have these functions.
2.Current Transformer (CT) Protection
A current transformer is a current sensing method based on electromagnetic induction.
Working Principle:
A current transformer is connected in series with the main circuit to detect the current flowing through the IGBT in real time. The signal from the secondary side of the transformer is rectified and filtered before being sent to a comparator or microcontroller.
Implementation:
When the detected current exceeds the set value, the protection circuit triggers a shutdown signal. This method is commonly used in medium- and high-power converters.
Advantages:
Provides excellent electrical isolation and high accuracy, making it suitable for high-frequency switching systems.

3.Hall Effect Sensor Protection
A Hall effect sensor is a non-contact method for current sensing.
Working Principle:
The sensor uses the Hall effect to measure current by detecting the magnetic field generated by the current flow. The output is a voltage signal proportional to the current.
Implementation:
Hall sensors are usually installed near the IGBT module or on the DC bus. The signal is amplified and sent to the control circuit for evaluation.
Advantages:
Non-intrusive installation, ease of use, and suitability for high-frequency and high-power-density applications.
4.Shunt Resistor Protection
A shunt resistor is a low-cost and straightforward solution for current detection.
Operating Principle:
A low-resistance, high-precision shunt resistor is connected in series with the IGBT’s emitter or the DC bus. The current is determined by measuring the voltage drop across the resistor.
Implementation:
A differential amplifier is used to amplify the voltage across the resistor, and the signal is fed into a comparator or ADC (analog-to-digital converter). Protection is triggered when the current exceeds the threshold.
Advantages:
Simple circuit design, low cost, fast response, and ideal for low- and medium-power applications.
5.Distributed Overcurrent Protection for IGBTs
This is a protection strategy that distributes the protection function across individual IGBT driver units.
Working Principle:
Desaturation detection is integrated into each IGBT driver board by monitoring the collector-emitter voltage (Vce) to identify overcurrent conditions.

Implementation:
Unlike centralized protection systems, distributed protection uses independent detection and protection circuits for each IGBT module or bridge arm.
Advantages:
Enables faster and more reliable overcurrent protection.
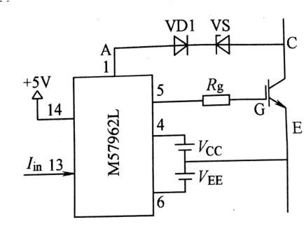
6.Driver IC-Based Integrated Protection
Modern IGBT driver ICs often include multiple built-in protection functions.
Working Principle:
Driver ICs such as Infineon’s 1ED series and TI’s UCC5350 incorporate features like desaturation detection, soft shutdown, and fault feedback.
Implementation:
A single chip handles detection, decision-making, and shutdown operations, while also communicating status to the controller via optocouplers or digital interfaces.
In practical designs, multiple protection methods are often combined to achieve more comprehensive and reliable overcurrent protection. For example, desaturation protection can be used for fast short-circuit protection, while shunt resistors or Hall effect sensors provide accurate overload monitoring.
A well-designed IGBT overcurrent protection circuit enhances system reliability, extends equipment lifespan, and reduces maintenance costs. SHYSEMI suggest that the recommended to choose the appropriate solution based on the specific application requirements, cost constraints, and performance needs.
Note: The protection circuit design should be validated through practical testing to ensure reliable operation under extreme conditions.

