Go Back
![[DIP-23] 3-Ph Full-Bridge, customizable](https://custom-images.strikinglycdn.com/res/hrscywv4p/image/upload/c_limit,fl_lossy,h_1000,w_500,f_auto,q_auto/23234143/315953_956802.png)
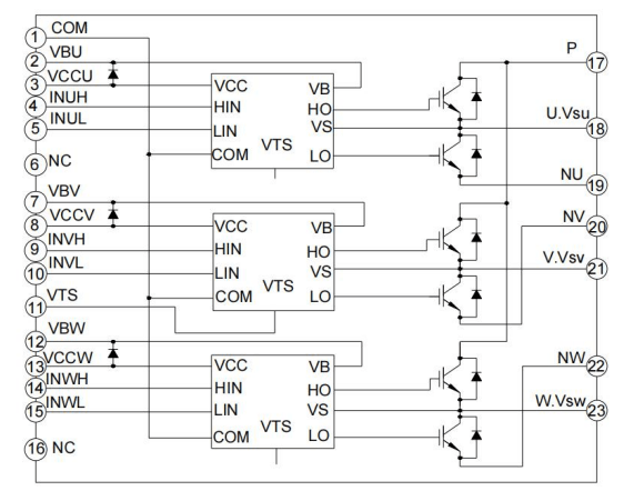
[DIP-23] 3-Ph Full-Bridge, customizable
Chips: IGBT
Topological Function: Three-phase full-bridge
Typical Application: Air conditioning fan, dishwasher, high-speed blower, low-power motor
Topological Function: Three-phase full-bridge
Typical Application: Air conditioning fan, dishwasher, high-speed blower, low-power motor
More Details
Product Details : SYIM06G60BTA, SYIM03M60ATA, SYIM05M50BTA
Due to its unique configuration, the DIP-23 package is typically used for function-specific ICs, such as:
- High-precision analog devices requiring multiple independent power or ground connections (e.g., precision op-amps and data converters).
- Custom or driver ICs with pin counts between DIP-22 and DIP-24, tailored for specific functional requirements.
- Legacy power semiconductors or linear regulators emphasizing thermal performance and reliability.
In addition, SHYSEMI's DIP-23 package is also applied in air conditioner fan motors, dishwashers, high-speed dryers, and small-capacity motors, combining proven mechanical robustness with cost-effective design.
Internal Electrical Schematic:



