Go Back
![[DIP-26] Fault signal output, Temperature monitor](https://custom-images.strikinglycdn.com/res/hrscywv4p/image/upload/c_limit,fl_lossy,h_1000,w_500,f_auto,q_auto/23234143/854764_476364.png)
[DIP-26] Fault signal output, Temperature monitor
* Prices fluctuate slightly with the market.
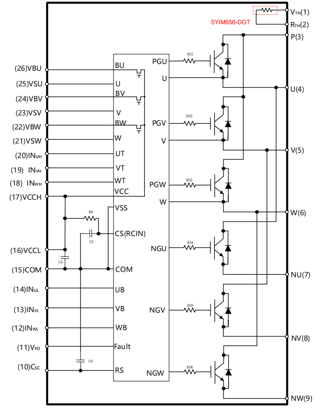
Chips: IGBT
Topological Function: Three-phase full-bridge
Frequency: 20 kHz and below, with temperature detection
Typical Application: Frequency converters and inverters
Chips: IGBT
Topological Function: Three-phase full-bridge
Frequency: 20 kHz and below, with temperature detection
Typical Application: Frequency converters and inverters
More Details
Product Details: SYIM656-DG, SYIM656-DGT, SYIM676-DG, SYIM676-DGT
Its key advantage lies in its wider pin pitch compared with standard DIP or SOP packages. The increased pin spacing directly provides greater creepage and clearance distances, which effectively prevent arcing or short-circuiting between adjacent pins under high-humidity or contaminated conditions.
This design feature greatly improves system reliability and safety in high-voltage environments, making it ideal for applications that must withstand hundreds or even thousands of volts over extended operation periods.
Internal Electrical Schematic:



