![[DIP-29] HVIC, over-temperature protection](https://custom-images.strikinglycdn.com/res/hrscywv4p/image/upload/c_limit,fl_lossy,h_1000,w_500,f_auto,q_auto/23234143/885679_316546.png)
[DIP-29] HVIC, over-temperature protection
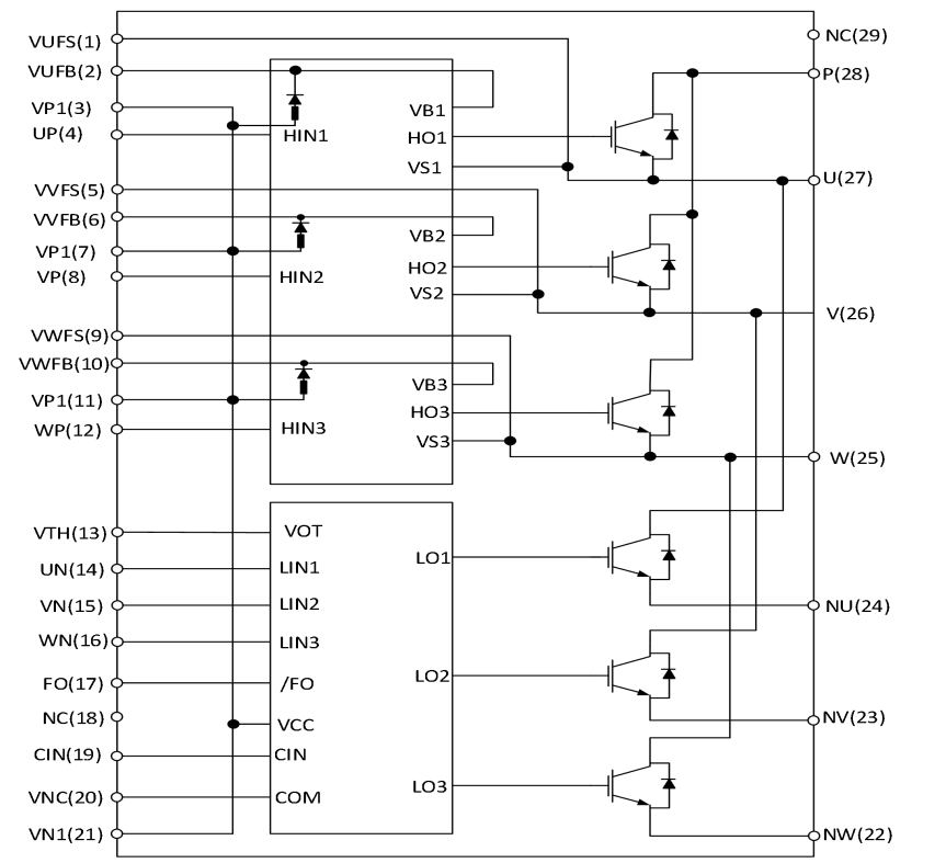
The HVIC chip integrates a lift-off diode with a current-limiting resistor
The high-side control voltage has undervoltage protection
The low-side LVIC features short-circuit current protection (SC), temperature output (TO), over-temperature protection (OTP), and undervoltage protection (UV)
Fault outputs (UV, SC, OTP) "shut down" the LVIC output when protection is triggered.
Input interface compatible with 3.3 V and 5 V signals, active high
Insulation class: 2500 V rms / min
Product Details: SYIM50D65
The DIP-29 is a high-pin-count dual in-line package that inherits all the classic advantages of the DIP family while offering expanded I/O capability for more complex system designs.
Despite featuring up to 29 leads, it retains the thick through-hole pins and rigid structure that characterize traditional DIP packages.
When soldered through the PCB, these leads provide extremely durable mechanical bonding, ensuring long-term electrical integrity under demanding operating conditions.
The larger molded body of the DIP-29 also serves as an effective passive heat spreader. Its flat top and bottom surfaces allow for easy installation of clip-on or integrated heatsinks, and even direct thermal coupling with the chassis, unlocking substantial thermal dissipation potential.
This combination of mechanical durability, thermal efficiency, and scalability makes the DIP-29 a preferred package for high-power or high-pin-count applications across industrial control, automotive electronics, and aerospace systems.
Internal Electrical Schematic:



