Table of Contents
1. Challenges in PWM Rectification Technology and the SiC Solution
2. Practical Application of SiC Diodes in Vienna Rectifiers
3. SiC Diodes vs. Silicon Diodes: A Performance Paradigm Shift
4. High-Temperature Operation and Advanced Packaging Technologies
5. Implementation and Test Results of a 10kW Vienna Rectifier
Keywords: Silicon Carbide Diode, PWM Rectifier, Vienna Rectifier, Switching Loss, Reverse Recovery, High Power Density, COOLMOS, Wide-Bandgap Semiconductor, Aviation Power Supply, High-Frequency Switching
The evolution of power electronics has rendered traditional phase-controlled rectifiers increasingly inadequate due to their inherent limitations, including low power factor and significant harmonic injection into the grid. While PWM rectification technology effectively mitigates these issues, it necessitates high-frequency switching operation, which introduces substantial switching stress and associated losses.
1. Challenges in PWM Rectification Technology and the SiC Solution
Although soft-switching techniques offer a theoretical solution, their implementation requires complex auxiliary circuits that compromise system reliability. Conversely, hard-switching operation under high frequencies results in prohibitive switching losses, thereby constraining the widespread adoption of PWM rectifiers in high-power applications.
SHYSEMI’s solution: Wide-Bandgap Semiconductor Devices. The advent of wide-bandgap devices, notably silicon carbide diodes, presents an effective solution. Their exceptional switching characteristics facilitate the realization of high-power PWM rectification.
2.Practical Application of SiC Diodes in Vienna Rectifiers
The Power Electronic Systems Laboratory at ETH Zurich successfully integrated SiC diodes into a 10kW three-phase Vienna rectifier developed for aviation power systems, demonstrating significant performance improvements.
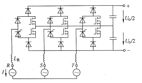
Figure 1: Vienna Rectifier Topology
2.1 Topology Selection: Three-Phase Three-Level Vienna Rectifier
This topology reduces voltage stress on the switching devices, permitting the use of 600V-rated MOSFETs in 400V line-voltage systems. This is particularly crucial for applications requiring very high frequencies, such as aviation power systems with fundamental frequencies ranging from 380Hz to 800Hz, where switching frequencies must exceed 100kHz.
2.2 Device Combination: COOLMOS + SiC Diode
- COOLMOS: Exhibits ultra-low on-state resistance and low input capacitance, making it ideal for high-frequency operation.
- SiC Schottky Diode: Possesses near-zero reverse recovery charge, a critical attribute for minimizing switching losses.
3.SiC Diodes vs. Silicon Diodes: A Performance Paradigm Shift
In hard-switching circuits, the reverse recovery characteristics of the diode are decisive for overall system performance.
Figure 2: Switching Losses during Turn-On with a Silicon Diode in a Boost Converter
3.1 Limitations of Silicon Fast Recovery Diodes
- High Switching Losses: Significant reverse recovery current leads to drastically increased turn-on losses in both the switch and the diode.
- System Oscillation: The latter stage of recovery often induces oscillation and noise, complicating filter design and electromagnetic compatibility (EMC) compliance.
Figure 3: Switching Losses during Turn-On with a SiC Diode in a Boost Converter
3.2 Advantages of SiC Diodes
- Minimal Losses: The virtually non-existent reverse recovery current dramatically reduces switching losses.
- Stable Switching Operation: During turn-off, only a minor current peak attributable to the junction capacitance is observed, with no oscillatory behavior. This simplifies input filter design and facilitates EMC certification.
Stable Temperature Characteristics: As shown in Figure 4, the reverse recovery characteristics of SiC diodes remain nearly constant over a wide temperature range (-50℃to 150℃), whereas the switching losses of silicon diodes increase markedly with temperature.
Figure 4: Comparison of Reverse Recovery Characteristics between SiC and Si Diodes at Different Junction Temperatures
4.High-Temperature Operation and Advanced Packaging Technologies
4.1 Superior High-Temperature Operational Capability
- COOLMOS: Capable of operating at junction temperatures up to 200℃, enabled by its highly doped substrate.
- SiC Devices: With a bandgap three times wider than silicon and a lower intrinsic carrier density, SiC devices theoretically operate at temperatures far exceeding those of silicon (primarily limited by packaging).
Furthermore, the thermal conductivity of SiC is three times higher than silicon, improving heat dissipation and enabling higher current density.
4.2 Advanced Power Module Packaging
To achieve high power density and low parasitic parameters, the laboratory employed an SP6-P micro-encapsulation package:
- Low-Inductance Design: Utilizes a symmetrical layout and places power terminals in close proximity to the semiconductor dies to minimize stray inductance.
- Enhanced Thermal Management: Power chips are soldered onto an aluminum nitride (AlN) substrate, which is subsequently bonded to a copper baseplate, ensuring efficient heat transfer to the heatsink.
Weight Reduction and Thermal Cycling Robustness: Future iterations may employ aluminum silicon carbide (AlSiC) baseplates to reduce weight and improve performance under thermal cycling conditions.
Figure 5: Fully Assembled SP6-P Power Module
5.Implementation and Test Results of a 10kW Vienna Rectifier
Through the integration of COOLMOS, SiC diodes, and advanced packaging, the rectifier achieved a remarkable power density of 8.5 kW/in³ (0.518 W/cm³).
System Configuration: Comprises an EMI filter, boost inductors, the power module, and a digital control board (based on an ADSP-21992 DSP), with a total compact volume of only 1200 cm³.
Figure 6: Top View of the 10kW Vienna Rectifier
Figure 7: Bottom View of the 10kW Vienna Rectifier
Performance Testing: At a 4kW output power level, the measured input current Total Harmonic Distortion (THD) was merely 4.75%, validating the system's excellent power factor performance.
Figure 8: Experimental Waveforms Showing Three-Phase Input Currents (CH1-CH3) and Input Voltage (CH14) at 4kW Output Powee
6.Conclusion and Outlook
Silicon carbide diodes are pivotal components in addressing the challenges of high-frequency PWM rectifiers. Their zero reverse recovery characteristics and exceptional high-temperature stability enable systems to operate with high efficiency and reliability at elevated switching frequencies when combined with high-speed switches like COOLMOS.
The case study from ETH Zurich demonstrates that the synergistic combination of an optimized topology, advanced semiconductor devices, and innovative packaging technology can successfully realize high-power, high-efficiency, and ultra-compact rectifier designs. Future enhancements, including the adoption of more advanced substrate materials and increased switching frequencies, hold significant potential for further improvements in power density and performance.










