In any semiconductor device, I/O (Input/Output) circuits are essential building blocks that interface the internal core logic with the external system.
Although the basic structure of CMOS I/O circuits appears simple, achieving robust performance under ground bounce (SSN) and maintaining signal integrity can be highly challenging.
At this article, we focus on practical I/O design methodologies for modern semiconductor devices, including:
1.What is an I/O circuit in a chip?
2.Types of I/O architectures
3.Key electrical parameters of I/O circuits
4.Design challenges and critical considerations
5.Ground bounce simulation setup
6.VIH/VIL measurement under noise conditions
An I/O circuit refers to the interface circuitry that connects internal core logic to external pins.
Physically, I/O cells are typically located in the pad ring at the periphery of the chip layout.

1. Core Functions of I/O Circuits
1.1 Level Shifting
Internal voltage domains often differ from external system levels. I/O circuits provide voltage level translation between core and I/O domains.
1.2. Drive Capability Enhancement
To handle large capacitive loads and fan-out, output buffers must provide sufficient drive strength to maintain fast rise/fall times.
1.3. ESD Protection
All semiconductor I/O pins integrate ESD protection circuits to prevent damage from electrostatic discharge events.
2. Classification of I/O Circuits
Input I/O
Input circuits are typically implemented using input buffers, sometimes with Schmitt triggers for noise immunity.
They may include:
- Weak pull-up resistors
- Weak pull-down resistors

These ensure defined logic levels when inputs are floating, without interfering with external driving signals.
Output I/O Types
2.1. Push-Pull Output (CMOS Output Stage)
This is the standard CMOS inverter-based structure, consisting of complementary PMOS and NMOS transistors.
- Strong drive capability
- Fast switching speed
- Widely used in digital ICs
2.2. Open-Drain / Open-Collector (OD/OC)
This structure cannot actively drive a high level and requires an external pull-up resistor.
Key features:
- Flexible level shifting
- Supports wired-AND / wired-OR logic
- Slower rising edges due to RC delay

2.3. Tri-State Output
Tri-state outputs introduce a third state: high impedance (Hi-Z).
- Acts like a disconnected node
- Enables multiple devices to share a common bus

Widely used in:
- Data buses
- Memory interfaces
- High-speed communication systems
3. Key Parameters of I/O Circuits
Important electrical characteristics include:

These parameters directly impact signal integrity and system reliability.
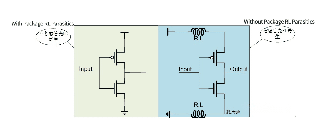
4. Key Challenge: Ground Bounce (SSN)
While I/O circuits are structurally simple, their biggest challenge lies in ground bounce, also known as:
Simultaneous Switching Noise (SSN)
What Is Ground Bounce?
Ground bounce refers to the voltage fluctuation between the chip ground and the PCB ground due to parasitic inductance.
When multiple outputs switch simultaneously:
- Transient current flows through package inductance
- Induced voltage (L·di/dt) causes ground shift
- Internal ground is no longer stable

Why Is It Critical?
Ground bounce can cause:
- Incorrect logic level detection
- VIH/VIL violations
- Signal oscillation or glitches
- Functional failure in high-speed systems
For example, a valid CMOS high-level input may be misinterpreted due to ground shift, leading to severe reliability issues.
5. Ground Bounce Simulation Considerations
When building a simulation environment (SPICE / IBIS models), pay attention to:
- Package parasitic inductance (Lpkg)
- Simultaneous switching outputs (SSO)
- Load capacitance
- Power/ground network modeling
- Accurate PVT corners (Process, Voltage, Temperature)
6. Measuring VIH/VIL Under Ground Bounce
Method 1: Ramp Input Signal
Apply a slow ramp input signal:
- First incorrect switching point → VIL
- Last incorrect switching point → VIH
Key requirement:
The ramp slope must be sufficiently small for accuracy.

Typical empirical setting:
K ≈ 10 mV over two switching periods
(adjustable depending on design conditions)
Method 2: Step Input Signal
Apply discrete voltage steps:
- Previous step before first error → VIL
- Next step after last error → VIH

Key requirement:
Step size must be small enough (e.g., ~10 mV resolution)
Which Method Is Better?
Both methods yield consistent results, but:
- Ramp method → higher accuracy, longer simulation time
- Step method → faster and more efficient
At SHYSEMI, we recommend the step method for PVT simulations, as it allows selective sampling and significantly improves simulation efficiency without sacrificing accuracy.
Conclusion
I/O circuit design is a critical part of modern semiconductor and power device development, especially in high-speed and high-reliability applications.
Managing ground bounce, signal integrity, and ESD robustness is essential for ensuring system stability.
If you are facing challenges in CMOS I/O design, simulation, or reliability optimization, feel free to contact SHYSEMI. Our engineering team is ready to support your design needs.
Connection to Power Semiconductor Applications
Although I/O circuits are widely used in digital ICs, similar design principles apply to power semiconductor devices, including gate drivers, IPMs, and SiC MOSFET modules.
At SHYSEMI, robust interface and protection design are critical for ensuring reliable operation in applications such as:
FAQ: I/O Circuit Design in Semiconductor
A: What is an I/O circuit in a chip?
Q: An I/O circuit is the interface between internal core logic and external pins, typically located in the pad ring of a semiconductor device.
A: What are the main types of I/O circuits?
Q:The main types include:
- Push-pull (CMOS output)
- Open-drain / open-collector
- Tri-state output
A: What is ground bounce in I/O design?
Q: Ground bounce, also known as simultaneous switching noise (SSN), is caused by parasitic inductance and leads to voltage fluctuations in the chip ground.
A: Why is VIH/VIL important in I/O circuits?
Q: VIH and VIL define logic thresholds. Incorrect thresholds under noise can cause logic errors and system failure.

