The SDIP26 Intelligent Power Module (IPM) is a compact, high-performance solution designed for low-power three-phase motor drive systems. Featuring a narrow-body Shrink Dual In-line Package (SDIP), it is widely adopted in home appliances, inverter-driven systems, and compact industrial applications.
With increasing demand for energy-efficient motor control, SDIP26 IPMs offer an ideal balance of integration, reliability, and cost-effectiveness.
Key Features of SDIP26 IPM
SHYSEMI’s SDIP26 package is engineered for high thermal efficiency and electrical safety, making it suitable for modern inverter applications:
- DBC (Direct Bonded Copper) substrate for superior insulation and heat dissipation
- High-reliability copper leadframe for stable driver IC performance
- Optimized thermal design for higher power density in compact form factors
- Built-in high-voltage gate driver IC (HVIC)
- Integrated protection functions for enhanced system reliability
Product Overview: SDIP26 IPM for BLDC Motor Drives
Typical models such as SYIM15S60 IPM module integrate a three-phase brushless DC (BLDC) motor driver with advanced protection and control features.
These modules are ideal for:
This makes SDIP26 a preferred solution for low-power inverter applications (≤1.5kW).
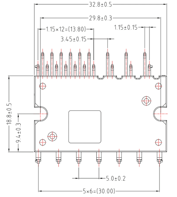
SDIP26 Package Specifications
- Package Type: Shrink Dual In-line Package (SDIP26)
- Pin Configuration: 26 pins (13 × 2 dual row)
- Pin Pitch: 2.54 mm
- Body Width: ~7.62 mm (300 mil)

Design Advantages
- Through-hole mounting for easy PCB assembly and wave soldering
- Improved creepage distance and thermal performance vs standard DIP
- Built-in insulated substrate (DBC/IMS)
- Isolation voltage: ≥ 1.5–2.5 kVrms
- Ideal for compact, low-cost motor drive designs

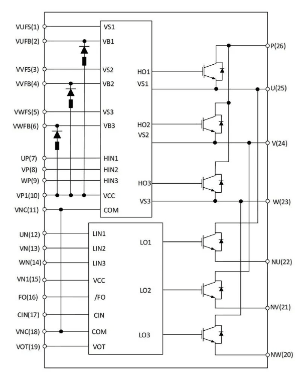
Internal Architecture of SDIP26 IPM
Power Stage
- 6 × IGBT + 6 × freewheeling diodes
- Configured as a three-phase full-bridge inverter
Gate Driver Stage
- High-side drivers (HVIC) for U/V/W phases
- Low-side drivers (LVIC)
- Integrated bootstrap diodes (no external components required)

Protection Functions
- UVLO (Under-Voltage Lockout)
- SCP (Short-Circuit Protection)
- TSD (Over-Temperature Shutdown)
- FO (Fault Output, open-drain)
- NTC temperature sensing / analog output (VOT)
Control Interface
- Logic inputs: HIN / LIN (3.3V & 5V compatible)
- Power supply: VCC, bootstrap supply
- Power terminals: DC bus (P), phase outputs, GND
Why Choose SDIP26 Intelligent Power Modules?
1. High Integration
Combines IGBTs, gate drivers, and protection circuits into a single compact module, reducing BOM and design complexity.
2. Enhanced Safety
Full electrical isolation enables safe operation in high-voltage environments, ideal for appliance and industrial control boards.
3. Simplified Design
Compatible with MCUs (3.3V / 5V), eliminating the need for complex external driver circuits.
4. Built-in Protection
Integrated fault protection improves system robustness and long-term reliability.
5. Cost-Optimized Solution
Perfect for mass production in consumer electronics and low-power inverter systems.
Typical Applications of SDIP26 IPM
The SDIP26 IPM is widely used in:
- Air conditioner inverter compressors
- Refrigerator variable-speed compressors
- Washing machine motor control systems
- Low-power VFDs (≤ 1.5 kW)
- Fan, pump, and small servo motor drives



