![[SIP-35] Independent OC Shutdown, Active-high (TTL/CMOS), UVLO](https://custom-images.strikinglycdn.com/res/hrscywv4p/image/upload/c_limit,fl_lossy,h_1000,w_500,f_auto,q_auto/23234143/926232_916529.png)
[SIP-35] Independent OC Shutdown, Active-high (TTL/CMOS), UVLO
Voltage: 600V
Current: 15-20A
Chips: IGBT
Topological Function: PFC + Three-phase full-bridge
PFC: SiC-SBD, 600V/30-40A (100 kHz and below)
Function: With temperature detection
Typical Application: Air conditioning compressor, frequency converter and inverter.
Product Details: SYIM756C-SFT, SYIM756C-SST, SYIM756C-SAAT, SYIM776C-SFT, SYIM776C-SST, SYIM776C-SAAT
The SIP-35 package is specifically engineered for high-power, high-density, and high-reliability applications.
SHYSEMI has optimized its internal structure to achieve ultra-low parasitic inductance and on-resistance (R<sub>DS(on)</sub>), which are critical for high-frequency switching applications such as switch-mode power supplies (SMPS) and inverters.
These optimizations significantly reduce switching losses and voltage overshoot, enhancing overall system efficiency and reliability.
The SIP-35 package typically features a single-screw mounting design, enabling easy installation and uniform pressure distribution. This ensures excellent thermal contact between the package and the heatsink, improving heat dissipation and long-term operational stability.
Features:
Fully Insulated Single In-line Power Module
Using IMS Insulated and Heat-dissipating Substrate
SIP (single in line) Fully Insulated Package Structure is Adopted
Three-phase Full Bridge: 15 A & 20 A 600 V, PFC: 40 A 600 V
Active High, Compatible With TTL / CMOS level
Integrated Bootstrap Functionality
Independent Inverter and PFC Over-current Shutdown
Under-voltage Lockout at all Channels
Cross-conduction Prevention
Fault Signal Output
Independent Low Side IGBT Emitter
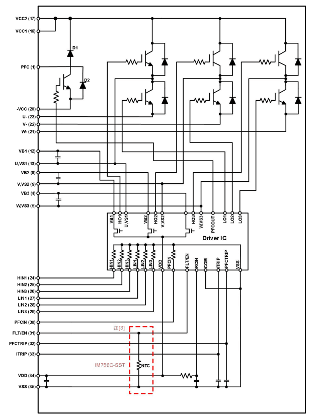
Internal Electrical Schematic:




